
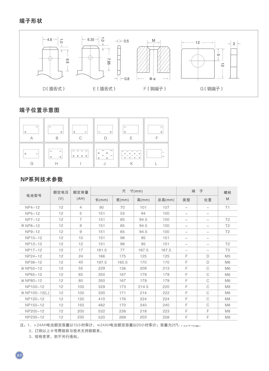
NP系列贫液式铅酸蓄电池
易事特(EAST)阀控式密封免维护铅酸蓄电池是采用美国最新技术,加上不断科研、创新的结晶。为亚洲市场开发的NP系列和GM系列电池更是积累多年电池生产经验的成功之作。其优良的品质、卓越的性能受到用户的广泛赞誉,具有高能密度、全密封结构、使用寿命长、高可靠性的特点,同时提供良好的服务为客户提供更大的便利。
贫液式阀控密封铅酸蓄电池 NP系列主要应用于警报系统、应急照明系统、电子仪器、邮电通信、电力系统、大型UPS及计算机备用电源、消防备用电源。标称电压为6V、12V,额定容量为1.2AH到250AH,设计浮充寿命:7-10年(25℃)



安全性能好
贫液式设计,电池内的电解液全部被极板和超细玻璃纤维隔板吸附,电池内部无自由流动的电解液,在正常使用情况下无电解液漏出,侧倒90度安装也可正常使用。
阀控密封式结构,当电池内气压偶尔偏高时,可通过安全阀的自动开启,泄掉压力,保证安全,内部产生可燃爆性气体聚集少,达不到燃爆浓度,防爆性能极佳。
免维护性能
利用阴极吸收式密封免维护原理,气体密封复合效率超过95%,正常使用情况下失水极少,电池无需定期补液维护。
绿色环保
正常充电下无酸雾,不污染机房环境、不腐蚀机房设备。
蓄电池充电电压范围(25℃)
恒压充电电压:2.30~2.35V/Cell;
均充充电电压:2.30~2.35V/Cell;
浮充充电电压:2.23~2.27V/Cell
充电电流:≤0.3C10;
自放电小
采用析气电位高的Pb-Ca-Sn合金,在20℃的干爽环境中放置半年,无需补电即可投入正常使用。
适用环境温度广
-15℃~45℃可平稳运行,可适用于市电恶劣环境,按行业标准YD/T 799-2010 《通信用阀控式密封铅酸蓄电池》,NP系列蓄电池其循环次数可达350次以上。
耐大电流性能好
紧装配工艺,内阻小,可进行3倍容量的放电电流放电3分钟(≤24Ah允许7分钟以上持续放电至终止电压)或6倍容量的放电电流放电5秒,电池无异常。
寿命长
由于采用高纯原材料及长寿命配方、电池组一致性控制工艺,NP系列蓄电池正极板达到3.5mm,NP系列电池组正常浮充设计寿命可达10年。
电池组一致性好
不计成本的保证电池组中的每一个电池具有相对一致的特性,确保在投入使用后长期的放电一致性和浮充一致性,不出现个别落后电池而拖垮整组电池。
①从源头的板栅、涂膏量的重量和厚度开始控制;
②总装前再逐片极板称重分级(≥38Ah的电池),确保每个单体中活性物质的量的相对一致性;
③定量精确注酸,四充三放化成制度,均衡电池性能;
④下线前对电池进行放电,进行容量和开路电压的一次配组;
⑤≥38Ah的电池出库前的静置期检测,经过7~15天的“时间考验”,出库时再100%检,能有效检出下 线时难以检出的极个别疑虑电池;
⑥出库时依据电池的开路电压和内阻进行二次配组。
蓄电池为贫液式设计,电池内的电解液全部被极板和超细玻璃纤维隔板吸附,电池内部无自由流动的电解液,在正常使用情况下无电解液漏出,侧倒90度安装也可正常使用。
蓄电池为阀控密封式结构,当电池内气压偶尔偏高时,可通过安全阀的自动开启,泄掉压力,保证安全,内部产生可燃爆性气体聚集少,达不到燃爆浓度,防爆性能极佳。
警报系统、应急照明系统、电子仪器、邮电通信、电力系统、大型UPS及计算机备用电源、消防备用电源

